• 网站首页
  • 关于我们
    • 公司简介
  • 产品中心
    • CPCI机箱
    • CPCI背板
    • VPX机箱
    • VPX背板
    • PXI/PXIE 机箱背板
    • 加固机
    • 便携机
    • 定制机柜
    • 配件(面板,助拔器以及其它)
  • 新闻动态
    • 行业新闻
    • 公司业务
  • 技术支持
    • 技术支持
  • 联系我们
大图1
banner2
banner1
微信二维码
服务热线:
18621632506
大图1
banner2
banner1
产品中心Product classification
  • CPCI机箱→
  • CPCI背板→
  • VPX机箱→
  • VPX背板→
  • PXI/PXIE 机箱背板→
  • 加固机→
  • 便携机→
  • 定制机柜→
  • 配件(面板,助拔器以及其它)→
配件(面板,助拔器以及其它)
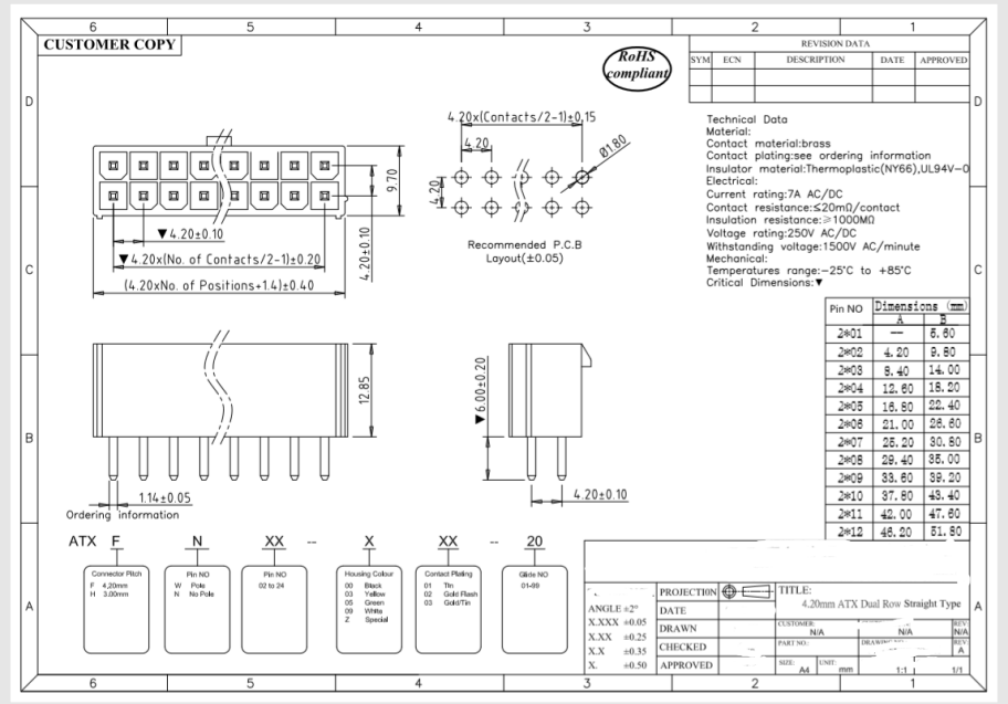
20PIN 实心ATX电源插座
20PIN 实心ATX电源插座
上海熠赟电子科技有限公司是一家聚焦 CPCI、VPX 、PXI/PXIe机箱系统领域,且深耕通信、测量及控制技术研发与应用的企业,其核心业务围绕各类总线产品的研发、设计与服务展开。
立即咨询
  • 产品详情

image.png


订货号:

名称

物料编号

MOQ

20PIN实心电源插座

250100002

10


微信二维码
地址:上海市文吉路339号4幢305

联系人:王总

手机:18621632506

网址:www.shyiyun.com

关于我们
关于我们
产品中心
CPCI机箱
CPCI背板
VPX机箱
VPX背板
PXI/PXIE 机箱背板
加固机
便携机
定制机柜
配件(面板,助拔器以及其它)
新闻动态
行业新闻
公司业务
技术支持
技术支持
版权所有 © 上海熠赟电子科技有限公司
沪ICP备2025155389号-1
  • 电话

    18621632506
    取消
  • 微信

    微信二维码

    扫一扫,详细了解产品业务。

  • 产品

  • 首页